
1、概述
YD系列刮板輸送機是輸送粉狀、小顆粒狀干態物料的連續輸送機械設備,可以水平、小角度傾斜布置。該設備結構簡單、運行平穩可靠、輸送距離長、密封性能好、磨損小、噪音低,它的工藝布置靈活,可多點加卸料及實現定量輸送。由于殼體是全封閉結構,在有毒、易飛揚、易爆及高溫物料時,對改善工人的操作條件和防止環境污染等方面有突出的優點,目前廣泛應用于鋼鐵、電力、垃圾焚燒等行業除塵輸灰系統的飛灰輸送。
2、結構特點及工作原理
YD系列刮板輸送機由機頭部件、中間槽體、機尾部件、刮板輸送鏈、驅動裝置、安裝枕梁組成。全封閉機殼,設備運行時無物料外泄;輸送鏈采用優質合金模鍛件經熱處理,強度大、耐磨損;設備的進出料口、輸送長度可根據工藝要求靈活設計布置。
物料經設備進料口均勻地進入槽體底部,由從機尾向機頭方向作封閉連續運行的承載刮板輸送鏈將物料從進料口處連續均勻地輸送至出料口排出。
機尾設置絲桿調節裝置來調節輸送鏈的松緊度,保證其在運行中始終保持適度張緊狀態,使設備處于穩定的運行狀態。
3、主要技術參數
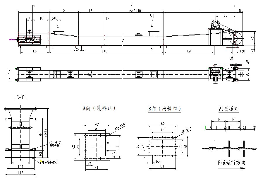
4、外形示意圖





