1、概述
電動鎖氣器又稱旋轉給料機,是物料輸送、料倉及除塵器灰倉等均勻卸料和鎖氣密封用的專用設備,主要起到均勻給料的作用。適用于火力發電廠除塵器、空氣預熱器、省煤機的設備的出料口或干灰輸送管道中,也可用于冶金、化工、水泥等行業。2、結構特點
結構簡單緊湊、傳動平穩、可靠性高;密封性能好、壽命長、故障率低等優點。根據其傳動方式,可分為與電機直聯的YXD系列和采用鏈傳動的XG系列,驅動裝置采用擺線針輪減速機或齒輪減速電機。
3、YXD系列電動鎖氣器技術性能參數表:

本參數表僅供參考,以最終實際參數為準。
XG系列電動鎖氣器外形尺寸及技術性能參數表:

本參數表僅供參考,以最終實際參數為準。
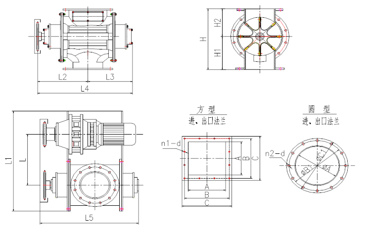
XG系列電動鎖氣器外形圖:

YXD系列電動鎖氣器外形示意圖:






